KKのものづくり奮闘記
ものづくりが好きな会社員のブログ。 3Dプリンタ買いました(2019.12)。
カレンダー
03
2026/04
05
S
M
T
W
T
F
S
1
2
3
4
5
6
7
8
9
10
11
12
13
14
15
16
17
18
19
20
21
22
23
24
25
26
27
28
29
30
プロフィール
HN:
KK
性別:
男性
職業:
会社員
趣味:
ランニング・電子工作・ゲーム・カラオケ
自己紹介:
愛知県のとある会社の社員。もう9年目。
書類上は愛知県民、心は長野県民。
日常のこと、作った電子回路のことなど書いてる…
最近、カラオケの精密採点点数向上のため、日々特訓中・・・
写真はうちの猫のタマ。可愛いよ~~
JogNote
最新記事
ESPduinoを使って天気予報ガジェットを作る
(08/15)
新しいPLAフィラメント使ってみました3
(01/15)
新しいPLAフィラメント使ってみました2
(01/13)
新しいPLAフィラメント使ってみました
(01/12)
【Adventurer3】プラットフォーム清掃方法を変えてみました
(01/09)
カテゴリー
自己紹介 ( 1 )
日記 ( 106 )
感想 ( 4 )
電子回路 ( 40 )
ラズパイ ( 2 )
3Dプリンタ ( 7 )
パソコン ( 3 )
部活 ( 74 )
フリーソフトなど ( 6 )
オンラインゲーム ( 1 )
タイピング ( 19 )
プログラミング ( 3 )
ゲーム ( 2 )
曲・歌 ( 1 )
写真・動画 ( 5 )
未分類 ( 0 )
アーカイブ
2020 年 08 月 ( 1 )
2020 年 01 月 ( 4 )
2019 年 12 月 ( 5 )
2019 年 05 月 ( 1 )
2018 年 09 月 ( 1 )
ブログ内検索
リンク
KKのにちじょう奮闘記
風の吹く坂道
Mr.ハレルヤの「something wonderful」を探して
暇人の集い
マイコンカーラリーネット
秋月電子通商
共立エレショップ
千石電商
ストロベリー・リナックス
aitendo
Digi-Key
浅草ギ研
Vector
HOZAN ホームページ
HAKKO ホームページ
マイコンカーラリー販売
(社)全国工業高等学校長協会
KKのジョグノート
カウンター
天気予報
バーコード
RSS
RSS 0.91
RSS 1.0
RSS 2.0
アクセス解析
[PR]
アクセスカウンター
ブログランキング
メールフォーム
Powered by
NINJA TOOLS
[
NINJA_STYLE_MAILFORM
]
アフィリエイト
2026
04,09
03:25
[PR]
CATEGORY[]
×
[PR]上記の広告は3ヶ月以上新規記事投稿のないブログに表示されています。新しい記事を書く事で広告が消えます。
2019
05,26
01:35
Arduino NANO動作テスト & VFDクロック制作
CATEGORY[電子回路]
お久しぶりの投稿です。
扁桃腺手術が終わり、元気になりました。
あとで、家族から話を聞いたところ、どうやら父親も小さい頃扁桃腺を取ったそうな。
もしかしたら遺伝なのかもしれないですね。
今回は、Arduino NANOを使ってVFD(蛍光表示管)の時計を作ろう!ということをやっていきます。
なぜ、これを作ろうとしたかというと・・・
GWに京都で「
Maker Faire Kyoto
」が開催され、そこへ行った際に
共立電子のブースに売ってた蛍光表示管キットを買ったのがきっかけです。
←こちらですね。
購入先URL
表示価格より結構安くなっててお買い得でした。
Arduino NANOは、Amazonで激安で売られてたパチもんを使用。
こちらです→
KKHMF Mini USB Nano V3.0
たかが数百円でこんなものが買えるなんて・・・衝撃です。
これにした理由は、会社の上司が「安い!純正品と使い勝手一緒!」と言ってたので。
とりあえず、表示機を抜きにしてブレボ&PCで動作確認を実施。
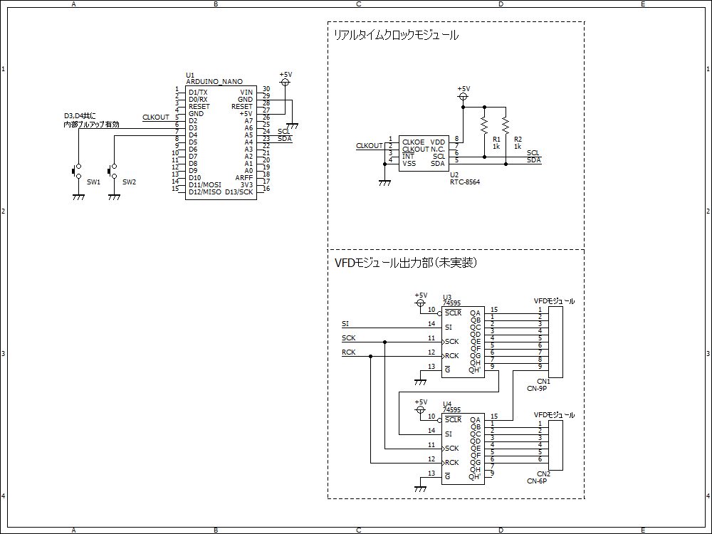
時刻の取得については、秋月電子通商にて販売中のリアルタイムクロック「
RTC-8564NB
」を使用。
I2Cでデータ取得、水晶内蔵、面倒な設定ほとんど無しの便利なモジュール。
↓現状の回路図(右下の枠内は未実装です。VFDへ接続するシフトレジスタ回路)
プログラムは
こちら
から。
現状、VFDによる表示を行っていないため、ターミナル上へ時刻表示をおこなっております。
○入力部の説明
SW1・・・時計表示or時刻設定切り替えスイッチ(2秒長押しで切り替え)
SW2・・・時刻設定時数値カウントアップ用
今回、しっかりしたプログラムをArduinoで書きましたが、ライブラリがしっかりしてて、めっちゃ簡単ですね・・・。
仕事の都合上、PICマイコンを用いることが多いのですが、PIC使いたくなくなってきちゃう。。。
Maker Faire Kyoto行ったときも、PIC使ってる人がほぼいなかったですし、時代はAVRですねぇ(´・ω・`)
[0回]
PR
コメント[0]
2018
09,09
21:11
扁桃腺切除手術 part1
CATEGORY[日記]
お久しぶりです✨
実は、今日から約1週間入院することになりました!
理由は扁桃腺の切除手術のためなのです。
最近、よく扁桃炎になってまして(2ヶ月に1回くらいのペースかな?)、40度くらいの熱が2〜3日続いてしまうことが多くありました(´・ω・`)
扁桃炎になったら会社を休まないといけず、その度に迷惑かけてたので今回ついに手術をすることに決めました
そもそも、扁桃炎なり始めの頃は40度の熱が出たら「もしや季節外れのインフルか!?」とか思って毎回インフルの検査してたりしました
何回か高熱が出てからお医者さんに「これは扁桃腺炎だねぇ」と言われてようやく自分が扁桃腺炎になっていると認識。
今は病院のベットです✨
明日の昼から手術!
初の全身麻酔だけど、大丈夫かなぁ…(´・ω・`)
※2018/09/11追記
手術当日の朝、なんか喉がいたいなぁ…と思い、熱を測ると発熱してました…
先生に相談すると検討の余地なく手術中止、退院させられることに(>_<)
今日診察してくれた先生、今まで見てくれた主治医の人と違ったんだよなぁ…
看護師に熱あるの伝えても、先生にその情報行ってなかったみたいだし、なんか色々とあの病院気になる所が…
また後日改めて別の病院で手術受けようと思います。
せっかく1週間休み取ったのに…
※2019/05/26追記
2019年01月に無事手術完了しましたー!
2度目、前みたいに熱出たらヤバイなぁ…と思いましたが、なんとかなりました。
手術後はかなりしんどかったです(・・;)
1週間入院し、その間はロクに食事が取れず…
最初の1,2日はツバも飲み込めなかったので。。。
今となっては後遺症もなく、元気にやっております。
手術から4ヶ月経過しましたが、風邪は一切ありません!
もっと早く手術していればよかったなぁ(^_^;)
[0回]
コメント[0]
2015
07,05
22:21
腕前が落ちてないのは良いことだよね(汗)
CATEGORY[タイピング]
タイプウェルやりました。うん、3年前の記録と変わらん。
成長はしてないが、現状維持なら・・・まぁいいか。
もうちょっと早くなりたいね~。
[0回]
コメント[0]
2014
11,21
22:29
Arduino買ってみた
CATEGORY[電子回路]
お久しぶりの更新です。ホント久しぶりです。
最近の趣味はランニングです。上司に影響され、半年続けてます。
どうも、ゲームやる気が起きず、暇な時はよく走りに行ってます。
・・・でも、毎日走る元気もない。
暇な時間ができるので、電子工作再開しようかな?と思いました。
というわけで、「Arduino」買ってみました。
秋月電子の「
Arduino Uno Rev3
」です。3000円くらい。
PICは会社で使ってるし、別のマイコン使ってみたいなと思ったのがきっかけ。
ついでに、すぐ取り掛かれるやつが欲しかったのでこれに決めました。
ホント簡単ですね(-_-;)
なんかPICで苦労してることがすべて省略できるという感じ。
PICもあれはあれでいいと思うが、これはこれで・・・いいかも(ΦωΦ)
家でチョチョっとやるにはPICより簡単でいいですね~。
暇ならそのうち色々やってみたいなと思ってます。
とりあえずの目標は、グラフィック液晶使ってなんか作りたいなと。
↓テストでLCDとSDカード
[1回]
コメント[0]
2014
09,03
20:44
久々のPC自作。
CATEGORY[パソコン]
久々の更新。
パソコン自作したんで、使った部品とかの備忘録ということで。
ちょっと前に、先輩からいらないパソコン貰ったのでマザーボードとCPU替えて使えるようにしようかなと思ったのが今回自作しようと思ったきっかけ。
それなら今サブ機として使ってるPCをグレードアップして、元々付いてたパーツで作ればいいじゃんwとなり、2台目であるサブ機も作り替えました。
今回購入物↓
CPU:Pentium G3258 BOX
M/B:H97M Anniversary
メモリ:W3U1600HQ-4G (4GBx2)
CPUクーラー:虎徹 SCKTT-1000
ケース:ARC MINI R2 Window Black
ファンコン:風マスター2 KM05-BK
OS:Windows 8.1 64bit
だいたい5万ちょい。
電源・グラボ・SSD・HDDとかは付いてるのそのまま使用。
電源:Scythe(サイズ) 鎌力5 SPKR5-550
グラボ:SAPPHIRE HD5670 512M
TVチューナー:
KEIAN KTV-FSPCIE
SSD:ADATA 64GB
HDD:640GB
最初はケース買う気なかったんですけど、どうせ作りなおすなら・・・!と思い切って買ってみました。
やっぱ1万くらいするケースは配線しやすいし、メンテしやすいし・・・やっぱいいわぁ~。
安いケースしか買ってなかったんでちょっと感動。
↑こんな感じ。
サクサク動きますね~。満足満足。
ただ、1つやらかしたのが、チップセットH97のマザーボード買ってしまったこと。
OCできないじゃん!と買ってから気づきました(-_-;)
そのうちOC可のやつに変えようかなとちょっと思っていたり・・・。
[0回]
コメント[0]
<<
前のページ
|
HOME
|
次のページ
>>
忍者ブログ
[PR]