KKのものづくり奮闘記
ものづくりが好きな会社員のブログ。 3Dプリンタ買いました(2019.12)。
カレンダー
09
2025/10
11
S
M
T
W
T
F
S
1
2
3
4
5
6
7
8
9
10
11
12
13
14
15
16
17
18
19
20
21
22
23
24
25
26
27
28
29
30
31
プロフィール
HN:
KK
性別:
男性
職業:
会社員
趣味:
ランニング・電子工作・ゲーム・カラオケ
自己紹介:
愛知県のとある会社の社員。もう9年目。
書類上は愛知県民、心は長野県民。
日常のこと、作った電子回路のことなど書いてる…
最近、カラオケの精密採点点数向上のため、日々特訓中・・・
写真はうちの猫のタマ。可愛いよ~~
JogNote
最新記事
ESPduinoを使って天気予報ガジェットを作る
(08/15)
新しいPLAフィラメント使ってみました3
(01/15)
新しいPLAフィラメント使ってみました2
(01/13)
新しいPLAフィラメント使ってみました
(01/12)
【Adventurer3】プラットフォーム清掃方法を変えてみました
(01/09)
カテゴリー
自己紹介 ( 1 )
日記 ( 106 )
感想 ( 4 )
電子回路 ( 40 )
ラズパイ ( 2 )
3Dプリンタ ( 7 )
パソコン ( 3 )
部活 ( 74 )
フリーソフトなど ( 6 )
オンラインゲーム ( 1 )
タイピング ( 19 )
プログラミング ( 3 )
ゲーム ( 2 )
曲・歌 ( 1 )
写真・動画 ( 5 )
未分類 ( 0 )
アーカイブ
2020 年 08 月 ( 1 )
2020 年 01 月 ( 4 )
2019 年 12 月 ( 5 )
2019 年 05 月 ( 1 )
2018 年 09 月 ( 1 )
ブログ内検索
リンク
KKのにちじょう奮闘記
風の吹く坂道
Mr.ハレルヤの「something wonderful」を探して
暇人の集い
マイコンカーラリーネット
秋月電子通商
共立エレショップ
千石電商
ストロベリー・リナックス
aitendo
Digi-Key
浅草ギ研
Vector
HOZAN ホームページ
HAKKO ホームページ
マイコンカーラリー販売
(社)全国工業高等学校長協会
KKのジョグノート
カウンター
天気予報
バーコード
RSS
RSS 0.91
RSS 1.0
RSS 2.0
アクセス解析
[PR]
アクセスカウンター
ブログランキング
メールフォーム
Powered by
NINJA TOOLS
[
NINJA_STYLE_MAILFORM
]
アフィリエイト
2025
10,04
02:20
[PR]
CATEGORY[]
×
[PR]上記の広告は3ヶ月以上新規記事投稿のないブログに表示されています。新しい記事を書く事で広告が消えます。
2009
09,09
21:07
バッテリー充電器大体完成~
CATEGORY[電子回路]
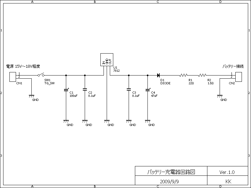
マイコンカーでは、単三電池を8本直列に接続したバッテリーを使用しています。このバッテリーの充電にはいつも電源装置で充電しているのですが、今年は1年生が多く電源装置があんまり使えないのでは?と思い専用のバッテリー充電器を作ってみることにしました。
いつも充電するとき、電圧11.5V前後、電流約500mAで充電をしているのでこのぐらいで出力されるように製作してみました。
←回路図
←作ったもの(まだ未完成なんですけどね)
三端子レギュレータは7812を使い12Vを出力。
ダイオードはショットキーバリアダイオードを使用。12Vもいらないので電圧を落とすために使用(本当に落ちてるのかなぁ?)
抵抗はセメント抵抗を使用。22Ω10Wと1.5Ω7Wです。
コンデンサ関係はそこらにあったものを・・・
放熱として放熱板もつけました。
予算は大体600円前後ぐらいかかりました。
抵抗値については、出力電圧=11.5V、出力電流=500mAとして
R=V/A=11.5/0.5=23[Ω]
で、おおよそ23Ωになるようにしました。
電力については、
W=I×I×R=0.5×0.5×23=5.75[W]
だったので6W以上のセメント抵抗を選びました。
動作チェックは学校行ってからだな・・・
※こんなことしてますけど中間テスト2日前です(^^;;
[0回]
PR
コメント[0]
TB[]
<<
テスト勉強終わった~
|
HOME
|
マイコンカー正常動作・・・
>>
コメント
コメント投稿
NAME:
MAIL:
URL:
COLOR:
Black
LimeGreen
SeaGreen
Teal
FireBrick
Tomato
IndianRed
BurlyWood
SlateGray
DarkSlateBlue
LightPink
DeepPink
DarkOrange
Gold
DimGray
Silver
SUBJECT:
COMMENT:
PASS:
trackback
トラックバックURL
<<
テスト勉強終わった~
|
HOME
|
マイコンカー正常動作・・・
>>
忍者ブログ
[PR]