KKのものづくり奮闘記
ものづくりが好きな会社員のブログ。 3Dプリンタ買いました(2019.12)。
カレンダー
03
2026/04
05
S
M
T
W
T
F
S
1
2
3
4
5
6
7
8
9
10
11
12
13
14
15
16
17
18
19
20
21
22
23
24
25
26
27
28
29
30
プロフィール
HN:
KK
性別:
男性
職業:
会社員
趣味:
ランニング・電子工作・ゲーム・カラオケ
自己紹介:
愛知県のとある会社の社員。もう9年目。
書類上は愛知県民、心は長野県民。
日常のこと、作った電子回路のことなど書いてる…
最近、カラオケの精密採点点数向上のため、日々特訓中・・・
写真はうちの猫のタマ。可愛いよ~~
JogNote
最新記事
ESPduinoを使って天気予報ガジェットを作る
(08/15)
新しいPLAフィラメント使ってみました3
(01/15)
新しいPLAフィラメント使ってみました2
(01/13)
新しいPLAフィラメント使ってみました
(01/12)
【Adventurer3】プラットフォーム清掃方法を変えてみました
(01/09)
カテゴリー
自己紹介 ( 1 )
日記 ( 106 )
感想 ( 4 )
電子回路 ( 40 )
ラズパイ ( 2 )
3Dプリンタ ( 7 )
パソコン ( 3 )
部活 ( 74 )
フリーソフトなど ( 6 )
オンラインゲーム ( 1 )
タイピング ( 19 )
プログラミング ( 3 )
ゲーム ( 2 )
曲・歌 ( 1 )
写真・動画 ( 5 )
未分類 ( 0 )
アーカイブ
2020 年 08 月 ( 1 )
2020 年 01 月 ( 4 )
2019 年 12 月 ( 5 )
2019 年 05 月 ( 1 )
2018 年 09 月 ( 1 )
ブログ内検索
リンク
KKのにちじょう奮闘記
風の吹く坂道
Mr.ハレルヤの「something wonderful」を探して
暇人の集い
マイコンカーラリーネット
秋月電子通商
共立エレショップ
千石電商
ストロベリー・リナックス
aitendo
Digi-Key
浅草ギ研
Vector
HOZAN ホームページ
HAKKO ホームページ
マイコンカーラリー販売
(社)全国工業高等学校長協会
KKのジョグノート
カウンター
天気予報
バーコード
RSS
RSS 0.91
RSS 1.0
RSS 2.0
アクセス解析
[PR]
アクセスカウンター
ブログランキング
メールフォーム
Powered by
NINJA TOOLS
[
NINJA_STYLE_MAILFORM
]
アフィリエイト
2026
04,09
13:26
[PR]
CATEGORY[]
×
[PR]上記の広告は3ヶ月以上新規記事投稿のないブログに表示されています。新しい記事を書く事で広告が消えます。
2012
07,30
21:05
久々にタイプウェルやってみた
CATEGORY[タイピング]
ふと、「最近タイピングソフトやってないなぁ~」と思いパソコンの中漁ってタイプウェル引っ張りだしてきました。
最近でも文章打つことは仕事中あるんでそんなに落ちてないよなぁ・・・と思いながらプレイ。
結果は・・・XHでした。案の定落ちてます。過去の最高はXFです。
もう高校中盤から殆ど伸びてないなぁ・・・。もうこれだけ打てればもういいかな・・・とも思う。
どっちかというとミスタイプ多いんでそっちを直したいとつくづく感じる。
[1回]
PR
コメント[0]
2012
07,02
22:01
うたた寝タイマー
CATEGORY[電子回路]
蒸し暑い!!蒸し暑いよ!!大事なことなので二回言いました。
愛知って蒸し暑いですね。ムシムシしてます。去年、蒸し暑さに耐え切れず購入した除湿機が本領を発揮する時が来た・・・。とはいっても洗濯物の乾燥で使ってるんですけどね。
明日、年休で何処か行こうかな~と思ってたら雨らしい。どうしようかな・・・引き篭もるか強引にでも外に出るか・・・。
---------------------
んで、本題です。
最近、仕事の疲れで帰ってから「ちょっと横になるかな~」と思ってベッドに寝るといつの間にか朝ということが増えました。
勿論蛍光灯つけっぱ。明るい中寝ると、疲れが全然取れず次の日がめちゃくちゃ辛い・・・。
そのための対策に電気付けっぱで寝てたら一定時間経過後に自動消灯するタイマーを製作することにしました。(受信機側は
こちら
)
名付けて「うたた寝タイマー」!!!
てなわけで、前からちまちま作ってたのがつい最近完成しました。
電源はUSB供給。
使用PICはPIC16F716。
右に付いてるスライドスイッチ×2でタイマーの時間調整をしてます。(1・10・30・60分から選択可)
表面実装用LED付きタクトスイッチ
を2つ使用(赤と黄色)。元々透明ケースに入れる予定だったので縦向きに付いてます。
要はリモコンの送信機です。今後、何かどうかに応用できるかもなぁ・・・。
使用センサは
圧力センサFSR-408
と
照度センサNJL7502L
の二種類。圧力センサは青色のターミナルに接続。
照度センサは周りが明るいかどうかの検出用。
圧力センサは布団の下(尻の辺り)に敷いてベッドの上に人がいるかどうかの検知に利用。
100均で買ったA4?のPPケースの上に圧力センサを貼っています。長く貼りたいので斜め貼り。(写真左)
その後、ベッドと布団の間に敷けば完成。(写真右)
敷いたことによる寝る時の違和感は今のところ感じません。
ちょっとの圧力で大きく反応してくれるので寝てて反応しないことはまずないはず・・・。
回路図は
こちら
。
信号のデジタル化や、バースト波生成など大概の部分はハード上で行なっているのでプログラムはあまり凝ってないです。
ソースファイルは
こちら
。使用コンパイラはCCS-C Compilerです。
HEXファイルは
こちら
。
結構、リモコン送信部分のプログラムが時間かかりました。テレビリモコンと波形見比べながらちょくちょく修正して完成に至ってますので、数値関連が計算値と違う部分があります。
いつもどおり、これらの回路・プログラムの利用は全て自己責任で。
さて・・・これでうたた寝し放題だ!ベッドでちょっと休憩も怖くないぜ!!
[2回]
コメント[0]
2012
04,01
01:19
ソフトウェアI2Cの動作テスト
CATEGORY[電子回路]
最近、部屋のフローリングが痛んできたのでカーペットを購入して敷きました。
いいですね~、足の冷えが軽減されてパソコン作業が楽になりました(^^)
そういや、もう4月ですね~。早い早い。
気候も暖かくなって過ごしやすくなってきました。
愛知県ってもうそろそろ桜が咲くとかどうとか。花見でもしてみようかな。
さて、本題。
今回は、C18に搭載?されているソフトウェアI2Cの動作テストを行いました。
正直使い方がよく分からない上資料も無いので前から手を付けていませんでした。
資料が無いのでどうしようかと思い・・・「自分でソースファイル全部読みゃ良いじゃんww」という結論に。
ちゃちゃっと読んでみると・・・そのまんまでしたねw
I/Oポートと各種遅延時間を設定してあげたら動きました。
色々やってますけど、ちゃんと100kHz・400kHzで動いてません・・・。一応動作したので載せときます。
I/OポートからH信号を出力する際に、ポートを入力にしてH信号を出力していた方法は「こんなやり方もあるのか~」とちょっと目から鱗。
今後も利用できるよう汎用的に使えるファイル一式を作成しました。
圧縮したものが
こちら
。(2012年4月5日変更しました)
なおテストの際、PIC18F4550を利用しました。動作クロックは48[MHz]です。
SDA = RC0 SCL = RC1 となっています。
また、今回のテストでは単バイト受信しか行なっていないので、他の関数は動作しない可能性があります。
近々修正して上げる予定ですので。
圧縮ファイル内には
・SW_I2Cフォルダ(I2C各種制御)
・sw_i2c_eep_my.h(I2CEEPROM処理)
・i2c_data.h(I2C用変数宣言)
が入っています。
これをそのままメインのソースファイルがあるフォルダにコピーします。
プログラム内で
#include "SW_I2C/sw_i2c_my.h"
と宣言してやればSW_I2C関連の制御が一式行えます。
私が作成したSW_I2Cですが、
①通信速度設定
②SDA・SCLピンの設定
③遅延時間の設定
の設定を事前にを行います。
まず、SW_I2Cフォルダ内sw_i2c.hで①と②の設定です。
①15~17行目 使う通信速度のコメントを消して下さい。
/*使用する通信速度のコメント消去*/
//#define SPEED_100K /*100kbps*/
#define SPEED_400K /*400kbps*/
②23~33行目 使用したいI/Oポートを記述してください。
/*DATAピン設定*/
#define DATA_LOW TRISCbits.TRISC0 = 0; // define macro for data pin output
#define DATA_HI TRISCbits.TRISC0 = 1; // define macro for data pin input
#define DATA_LAT LATCbits.LATC0 // define macro for data pin latch
#define DATA_PIN PORTCbits.RC0 // define macro for data pin
/*CLKピン設定*/
#define CLOCK_LOW TRISCbits.TRISC1 = 0; // define macro for clock pin output
#define CLOCK_HI TRISCbits.TRISC1 = 1; // define macro for clock pin input
#define SCLK_LAT LATCbits.LATC1 // define macro for clock pin latch
#define SCLK_PIN PORTCbits.RC1 // define macro for clock pin
次に、SW_I2Cフォルダ内sw_i2c_delay.hで③の設定です。
遅延時間ですが通信速度の半周期を設定時間としています。
100[kbps]の場合、10[us] / 2 = 5[us]
400[kbps]の場合、2.5[us] / 2 = 1.25[us]
が設定時間です。
sw_i2c_delay.h内には
・SWDelayI2C
・SWDelayI2C_LO
・SWDelayI2C_HI
の3種類の遅延関数があります。
実際のところ、送受信時の各種処理時間によって計算と実測の値が異なってきます。
そのため、実測値を100[kbps] or 400[kbps]にするために遅延時間を短くした遅延関数を作成してあり、SW_DelayI2C_LOとSW_DelayI2C_HIがそうです。
SW_DelayI2Cは計算値そのままの遅延関数です。
別に、全て計算値でも動作はするのでそこら辺はお好みでどうぞ。
今回の動作テストでは、I2C通信のEEPROM 24LC256を利用しました。
プログラムは圧縮ファイル内のsw_i2c_eep_my.hです。
①読み込みプログラム
/*=====I2C EEPROM 読み込み=====*/
unsigned char S_EE_Read(char chip, unsigned int address){
unsigned char data;
SWStartI2C();
SWWriteI2C((0xA0 | ((chip & 0x07) << 1)) & 0xFE);
SWAckI2C();
SWWriteI2C(address >> 8);
SWAckI2C();
SWWriteI2C(address & 0xff);
SWAckI2C();
SWRestartI2C();
SWWriteI2C((0xA0 | ((chip & 0x07) << 1)) | 0x01);
SWAckI2C();
data = SWReadI2C();
SWAckI2C();
SWStopI2C();
return (data);
}
②書き込みプログラム
/*=====I2C EEPROM 書き込み=====*/
void S_EE_Write(char chip, unsigned int address ,unsigned char data){
SWStartI2C();
SWWriteI2C((0xA0 | ((chip & 0x07) << 1)) & 0xFE);
SWAckI2C();
SWWriteI2C(address >> 8);
SWAckI2C();
SWWriteI2C(address & 0xff);
SWAckI2C();
SWWriteI2C(data);
SWAckI2C();
Delay100TCYx(75); /*wait 3ms*/
SWStopI2C();
}
※2012年4月5日更新
圧縮フォルダにi2c_data.hが入っていなかったので追加しました。
※2012年4月24日更新
sw_i2c_eep_my.hのS_EE_Write関数を修正しました。
[4回]
コメント[0]
2012
03,18
21:35
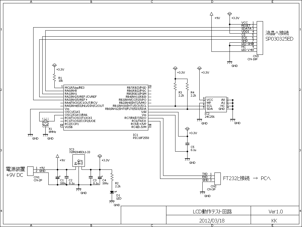
ノキアのLCDモジュール動作テスト
CATEGORY[電子回路]
自作カーステレオ第2弾~。
というわけで、今回はカラー液晶の動作テストをしてみました。
使用した液晶はaitendoの
LCDモジュール(128×128)
。
ノキアの携帯電話に使われている液晶だそうです。
今回は、英数字や図形などを表示させてみました。
動作させてる写真はこちら↓
図形表示と文字表示をしている写真です。右は回路です。
文字は
電子工作の実習室に掲載されているフォントデータ
を利用させて頂きました。
文字データはEEPROMへ書き込むために不要な部分を削除しています。
EEPROMへ書き込むまでの過程はおいおい書きます。
使用PICは18F2550。MPLAB C18 Compilerで記述。
回路図は
こちら
。
プログラム一式は
こちら
。ZIP形式で圧縮してあります。
LCDの制御関連は
sparkfun
にテストプログラム関連がありましたのでそこから。
Interface tutorial
というpdfファイルを主に参考にさせて頂きました。アリガタヤアリガタヤ。
1文字表示用の関数は出来ていますが、文字列表示が出来ていないので近々書きます。
それにしても、面白いですね~。液晶買った際にタッチパネルも買ったのでそれも使おうと思ってます。
書くの疲れたんでこれで終わり・・・。また進んだら書くのでよろしく。
[0回]
コメント[0]
2012
03,07
00:08
ipodコントローラを作ってみる
CATEGORY[電子回路]
久々の投稿です。ホント久々です。
もうすぐ社会人2年目になります。ほんと早いですねぇ。
最近、車の購入計画を始めました。しかしなかなか進まず・・・。私の職場、購入までの手続きが面倒なんですよね。ちなみに、購入予定車は86です。
購入予定の車は86です。
大事なことなので2回言いました。
ローン200万弱して買う予定でいます。ちょっと今後生活できるのか心配になってきます・・・。
最悪夏までには納車までいきたいところです。自分の車・・・早くほしいです。
車を買うことになったのはいいのですが、なるたけ余分なところにお金を使いたくは無いです。
というわけで、カーナビは付けないことにしました。どうせ遠出しないだろうし・・・。
というわけで、カーステレオはどうしようかと考え、ふと思いつきました!
「自分で作りゃ良いじゃん!!」
・・・というわけで、今回のipodコントローラは自作カーステレオへの第一歩です。
ipodコントローラですが、SWの入力に従ってPICからipodへシリアル通信で制御信号を出力させるという構造になっています。
ネットで検索してみると参考サイトが沢山あって簡単に出来ました。
動作中の写真がこちら↓
再生には前に作った自作スピーカーを利用してます。
ipodの接続に利用している基板は
aitendo
で購入したものです。
今回SWに割り振った機能は
再生/一時停止・次の曲・前の曲・音量+・音量ー です。
音量制御ですが、今回は利用出来ていません。多分イヤホンジャックの音量制御だと思ってます。
使用PICは18F4520。
使用コンパイラはMPLAB C18 Compiler。
電源電圧はipodに合わせて3.3V駆動です。
ipodとの通信は 19200[bps]・データ8bit・ストップ1bit
PCとの通信は 9600[bps]・データ8bit・ストップ1bit
ソースファイルは
こちら
。作ってから言うのも何ですけど、もっと簡単に作れたな・・・これ。まぁ動いたから良しとする。
今回、動作テスト用としてPC接続用にSW_UARTを利用しています。
その際、SW_UART関連の処理が入ったヘッダーファイルを利用してます。
ヘッダーファイルは
こちら
。
なお、SW_UARTはipodとの通信には関係ありません。
またちょくちょく進めていく予定です。目指せ自作カーステレオ。
○参考サイト
・
iPod Accessory Protocol
・
Apple iPod, iPhone (2g, 3g), iPad Dock connector
・
じむの(とりあえず)やってみたの巻
[2回]
コメント[0]
<<
前のページ
|
HOME
|
次のページ
>>
忍者ブログ
[PR]