KKのものづくり奮闘記
ものづくりが好きな会社員のブログ。 3Dプリンタ買いました(2019.12)。
カレンダー
03
2026/04
05
S
M
T
W
T
F
S
1
2
3
4
5
6
7
8
9
10
11
12
13
14
15
16
17
18
19
20
21
22
23
24
25
26
27
28
29
30
プロフィール
HN:
KK
性別:
男性
職業:
会社員
趣味:
ランニング・電子工作・ゲーム・カラオケ
自己紹介:
愛知県のとある会社の社員。もう9年目。
書類上は愛知県民、心は長野県民。
日常のこと、作った電子回路のことなど書いてる…
最近、カラオケの精密採点点数向上のため、日々特訓中・・・
写真はうちの猫のタマ。可愛いよ~~
JogNote
最新記事
ESPduinoを使って天気予報ガジェットを作る
(08/15)
新しいPLAフィラメント使ってみました3
(01/15)
新しいPLAフィラメント使ってみました2
(01/13)
新しいPLAフィラメント使ってみました
(01/12)
【Adventurer3】プラットフォーム清掃方法を変えてみました
(01/09)
カテゴリー
自己紹介 ( 1 )
日記 ( 106 )
感想 ( 4 )
電子回路 ( 40 )
ラズパイ ( 2 )
3Dプリンタ ( 7 )
パソコン ( 3 )
部活 ( 74 )
フリーソフトなど ( 6 )
オンラインゲーム ( 1 )
タイピング ( 19 )
プログラミング ( 3 )
ゲーム ( 2 )
曲・歌 ( 1 )
写真・動画 ( 5 )
未分類 ( 0 )
アーカイブ
2020 年 08 月 ( 1 )
2020 年 01 月 ( 4 )
2019 年 12 月 ( 5 )
2019 年 05 月 ( 1 )
2018 年 09 月 ( 1 )
ブログ内検索
リンク
KKのにちじょう奮闘記
風の吹く坂道
Mr.ハレルヤの「something wonderful」を探して
暇人の集い
マイコンカーラリーネット
秋月電子通商
共立エレショップ
千石電商
ストロベリー・リナックス
aitendo
Digi-Key
浅草ギ研
Vector
HOZAN ホームページ
HAKKO ホームページ
マイコンカーラリー販売
(社)全国工業高等学校長協会
KKのジョグノート
カウンター
天気予報
バーコード
RSS
RSS 0.91
RSS 1.0
RSS 2.0
アクセス解析
[PR]
アクセスカウンター
ブログランキング
メールフォーム
Powered by
NINJA TOOLS
[
NINJA_STYLE_MAILFORM
]
アフィリエイト
2026
04,11
22:42
[PR]
CATEGORY[]
×
[PR]上記の広告は3ヶ月以上新規記事投稿のないブログに表示されています。新しい記事を書く事で広告が消えます。
2011
01,13
23:18
東京行ってきた
CATEGORY[日記]
近頃、何もやる気が起きない・・・。そんなこと母と話してたら、「燃え尽き症候群じゃない?」とか言われました。部活も引退して大きなこと終わったからなぁ・・・。
最近、毎日教習所へ通っています。12月の下旬から通い始めて先週、ようやく仮免許を取得することが出来ました~。今現在は路上に出て運転をしています。早く免許取りたいな~。
今日は、とある事情で学校を公欠して東京まで日帰りで行ってきました。
その行った先で記念品ということで、ボールペン付USBメモリを頂きました。
I-O DATAの「PEN-M2G」というものです。
う~ん・・・今時2GBも珍しいですね。ちょっと重いボールペンだと思えば・・・まぁ使えるかな。
ついでに転送速度とか気になったので測定してみました。まぁこんなものかな。
[2回]
PR
コメント[0]
TB[]
2011
01,01
00:52
2011年になりました~
CATEGORY[日記]
明けましておめでとうございます!!
今年もよろしくお願いします!
もう2011年になりました。あと学生でいられるのもあと3ヶ月となりました・・・。ほんと早いなぁ・・・。
ちょっと前に、高校入学!と思ったらもう卒業ですよ。この高校生活3年間は色々ありすぎたからなぁ・・・。
この高校生活3年間を振り返ってみると・・・3年間
部活
に命を賭けた生活を送ってました。来る日も来る日も部活部活部活部活・・・。
1年生の時は、わからない事だらけで色々独学で勉強積んだりして・・・。
2年生の時は、部長になって後輩まとめたり、ものづくりコンテストで成績収めたり・・・。
3年生の時は、ものづくりコンテストにまた出て結果残せたし・・・。でもロボットでは全く成績残せずかなり悔しかった思い出もあった。
本当に色々なことがあった・・・。でもやっぱり楽しかったなぁ・・・。もう一度あの頃に戻りたいです。
・・・まぁ戻れないんで、明るい未来の為に頑張っていきましょ~。
話は変わって・・・。
私は毎年、0時に近くの神社へ祖父と一緒に初詣に行っています。
この恒例行事は、私がまだひとりで歩けないような頃から祖父と毎年欠かさずに行っています。
その神社でいつも貰うものが、みかんと甘酒とさきいかと封筒をもらいます。
封筒の中には、その神社オリジナルの落雁と、その年の出来事とか色々と書かれた紙が入っています。
毎年家に帰ると、落雁を食べながらこの紙を読むというのが日課になってたり。その封筒も毎年捨てずにとってあります。とはいっても残ってるのは3年前までの分だけですけど。探せば更に過去のも見つかる気もする。
今日は元旦・・・。電気屋へ行ってなんか買おうかなぁと考えています。
[1回]
コメント[0]
TB[]
2010
12,19
21:32
MCR新モーター制御完成~
CATEGORY[電子回路]
前の記事から連続投稿。やる気になったときにやれるだけやらなくては。
え?レポート?なにそれおいしいの?
H8の0~4のITUでエンコーダ計測をして、連続5このエンコーダの計測ができたらいいな~と思いH8PWMに代わる新しいモーター制御法を研究することに。
H8から12ビットシリアルデータを出して秋月のシリアル-パラレル変換器を介してパラレルデータになったものをPICに入れてCCPモジュールでPWMを出力するという方法で行ってみました。
日曜日1日がかりでついさっき何とか形になりました~。
下は試験中の写真
左下の写真はH8でデータを送ってる信号。右下はPIC側で受信した信号。ちゃんと同じ値が送られています。102、204というデータ。1度に2つのPWM波形を出すので送受信も2データ。
最初は全然うまくいかなくて焦った・・・。最終的にはうまくいってよかったです。
今回、PCとPICのシリアル通信で、ストロベリーりナックスさんの
USBシリアル変換モジュール
を利用しました。いちいち電圧の変換IC介さなくていいので便利でした(^^)
[1回]
コメント[0]
TB[]
2010
12,19
21:17
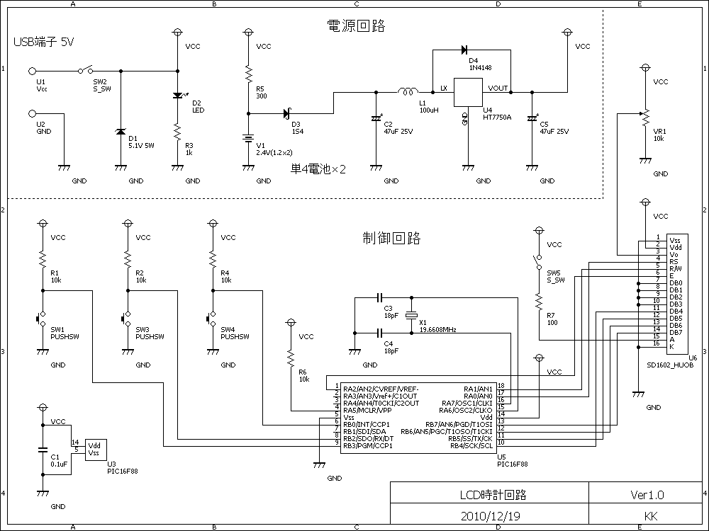
LCD版デジタル時計
CATEGORY[電子回路]
この土日、もうそろそろ提出しないとヤバイレポートやらずにデジタル時計完成させました(^^;
金曜日学校帰ってきてから回路完成させて、土曜日半日かけてプログラム完成させました~。
最初、「そこまでプログラム大きくならないだろ」と思って16F84Aで作ってたら最終的に2Kワード超えたので、最終的に16F88で製作しました。
作っていくうちに、「時間だけじゃなくて月日とかも入れるか」とか、「24時間表示と12時間表示変えられるようにしよう」とか、「ブレーカー落ち対策として非常用の電池載せよう」とか色々してたらプログラムが大きくなってしまいました。
全景はこちら↓
電源はUSBから供給しています。予備として電池も裏側に取り付け。
非常用の電池は後から思いついて付けたので後ろに無理やり配線してあります。
1.2Vの2次電池2個を、前に携帯電話充電器作ったときに余った、ステップアップDC/DCコンバータで5Vに昇圧して使用出来るようにしてあります。
こちらの
趣味の電子回路工作
というページの中にトリクル充電という電池の充電方法が載っていたので、自動で充電してくれるようになって・・・いるはずです。ちょっとまだ長時間駆動させてないんで動作してるか不明。非常用電源としては機能してますが。
回路図は
こちら
。後から描いたんで間違ってたらすいません。
ソースファイルは
こちら
(CCSコンパイラで作成しました)。ついでに
hexファイル
。
※ソースファイルにミスがあったため、修正しました(2010/12/22)
・曜日が1日経過しても更新されない
・秒数リセットの改良
LCD表示用のファイルは
電子工作の実験室さん
のファイルを利用させていただきました。
自由に使ってもいいですが、何があっても責任は取りません。
AM/PM表示と、0~23時までの表示の二種類の表示が可能になってます。
水晶振動子は、19.6608MHzを使用しています。在庫漁ったらなぜかあったので使用。いつ買ったんだろうか?
一応、5V以上かけた際に壊れないよう5.1Vのツェナーダイオード入れてあります。
この時計はパソコン用机の上に置いて使用。う~ん、なかなかいい感じ。
更新:どうやら、多少のずれがあるようです。振動子のクロック変えればどうにかなる・・・かも。今のところ手持ちに使えそうな振動子無いので、手に入り次第修正する予定。
[1回]
コメント[0]
TB[]
2010
12,15
23:39
ちょっと風邪気味
CATEGORY[電子回路]
今週の初めからなんだか体がだるく頭が重い・・・。鼻が詰まるんで鼻からきた風邪かなと。
最近、ノロウイルスがはやり始めたとかどうのこうの聞きます。体調管理には気をつけるようにしよう。
最近CPLDの勉強かねていじってますが、なかなかうまくいかない。
H8とかPICと違うからかな?地道にやってくつもりです。
あと、今週末に課題研究の最終発表会があります。授業3時間使って一人一人プレゼンテーションで自分の課題研究の内容を発表します。
およそ40人が発表するので、それぞれの持ち時間はおよそ3分・・・短いですね。早く終わっていいですけど。
発表中に、実演もやろうと思っているんで時間配分をどうするかが考えどころ。
今週あたりで、残りの学校に登校する日数が一ヶ月を切ったそうです。早いですね~。あと一ヶ月もあっという間に過ぎちゃうんだろうな・・・。
[0回]
コメント[0]
TB[]
<<
前のページ
|
HOME
|
次のページ
>>
忍者ブログ
[PR]